| modelo | Faixa de fluxo de ar | Método de instalação | peso | medição | Elemento | |||||||||||||
| D1. | L1. | L2. | L3. | L4. | L5. | L6. | H1. | H2. | H3. | H4. | H5. | a Principal | segurança | |||||
| Dcf04. | Dcf04h. | 1.5A4,0m³ / min | H | 44 mm. | 147 mm. | 259 mm. | 120 mm. | - | 100 mm. | - | 130 mm | 191 mm. | 126 mm. | - | - | Med04. | Sed04. | |
| Dcf04v. | 1.5A4,0m³ / min | V | 44 mm | 147 mm. | 259 mm. | 120 mm. | - | 100 mm. | - | 130 mm | - | - | 215 mm | 142 mm. | Med04. | Sed04. | ||
| Dcf08. | Dcf08h | 4.0A7.0m³ / min | H | 91 mm. | 263 mm. | 382 mm | 120 mm. | 120 mm. | 191 mm. | - | 165 mm | 232 mm. | 151 mm. | - | - | Med08. | Sed08. | |
| Dcf08v. | 4.0A7.0m³ / min | V | 91 mm. | 263 mm. | 382 mm | 120 mm. | 120 mm. | 191 mm. | - | 165 mm | - | - | 333 mm | 201 mm. | Med08. | Sed08. | ||
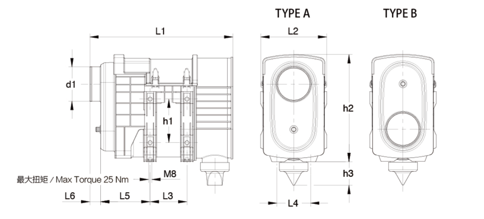
| Dcf09. | Dcf09a. | 7.0A9,0m³ / min | A | 102 mm. | 428 mm. | 198 mm | 110 mm | 100 mm. | 148 mm | 32 mm. | 130 mm | 320 mm. | 71 mm. | - | - | Med09. | Sed09. | |
| Dcf09b. | 7.0A9,0m³ / min | B | 102 mm. | 428 mm. | 198 mm | 110 mm | 100 mm. | 148 mm | 32 mm | 130 mm. | 320 mm. | 71 mm | - | - | Med09. | Sed09. | ||
| Dcf15. | Dcf15a. | 9.0A16.0m³ / min | A | 127 mm | 429 mm. | 254 mm. | 110 mm | 110 mm. | 135 mm | 30 mm | 110 mm. | 361 mm | 60 mm. | - | - | Med15. | Sed15. | |
| Dcf15b. | 9.0A16.0m³ / min | B | 127 mm | 429 mm | 254 mm | 110 mm | 110 mm | 135 mm | 30 mm | 110 mm | 361 mm | 60 mm. | - | - | Med15. | SED15. | ||
| modelo | Faixa de fluxo de ar | Método de instalação | peso | medição | Elemento | |||||||||||||
| D1. | L1. | L2. | L3. | L4. | L5. | L6. | H1. | H2. | H3. | H4. | H5. | a Principal | segurança | |||||
| Dcf04. | Dcf04h. | 1.5A4,0m³ / min | H | 44 mm. | 147 mm. | 259 mm. | 120 mm. | - | 100 mm. | - | 130 mm | 191 mm. | 126 mm. | - | - | Med04. | Sed04. | |
| Dcf04v. | 1.5A4,0m³ / min | V | 44 mm | 147 mm. | 259 mm. | 120 mm. | - | 100 mm. | - | 130 mm | - | - | 215 mm | 142 mm. | Med04. | Sed04. | ||
| Dcf08. | Dcf08h | 4.0A7.0m³ / min | H | 91 mm. | 263 mm. | 382 mm | 120 mm. | 120 mm. | 191 mm. | - | 165 mm | 232 mm. | 151 mm. | - | - | Med08. | Sed08. | |
| Dcf08v. | 4.0A7.0m³ / min | V | 91 mm. | 263 mm. | 382 mm | 120 mm. | 120 mm. | 191 mm. | - | 165 mm | - | - | 333 mm | 201 mm. | Med08. | Sed08. | ||
| Dcf09. | Dcf09a. | 7.0A9,0m³ / min | A | 102 mm. | 428 mm. | 198 mm | 110 mm | 100 mm. | 148 mm | 32 mm. | 130 mm | 320 mm. | 71 mm. | - | - | Med09. | Sed09. | |
| Dcf09b. | 7.0A9,0m³ / min | B | 102 mm. | 428 mm. | 198 mm | 110 mm | 100 mm. | 148 mm | 32 mm | 130 mm. | 320 mm. | 71 mm | - | - | Med09. | Sed09. | ||
| Dcf15. | Dcf15a. | 9.0A16.0m³ / min | A | 127 mm | 429 mm. | 254 mm. | 110 mm | 110 mm. | 135 mm | 30 mm | 110 mm. | 361 mm | 60 mm. | - | - | Med15. | Sed15. | |
| Dcf15b. | 9.0A16.0m³ / min | B | 127 mm | 429 mm | 254 mm | 110 mm | 110 mm | 135 mm | 30 mm | 110 mm | 361 mm | 60 mm. | - | - | Med15. | SED15. | ||