Como funciona:
O ar de ingestão é encaminhado através do banho de óleo. Lá as partículas de pó grossas são removidas do ar e depois redirecionadas para cima. O fluxo ascendente molha a embalagem do filtro com óleo do banho de óleo e a sujeira no ar de admissão é depositada lá. Este óleo flui de volta para o banho e a sujeira é contida é depositada lá.
Vantagens de relance:
Separar 99% de impurezas do ar de ingestão
Melhore a eficiência de combustível para obter economia de combustível.
Só precisa substituir o óleo, economizar custos
Capacidade de poeira de jantar, adequado para condições de trabalho de poeira
Estender a vida do filtro de ar que usada como pré-limpador
Reduza o tempo de inatividade
Serviço sem peças de reposição
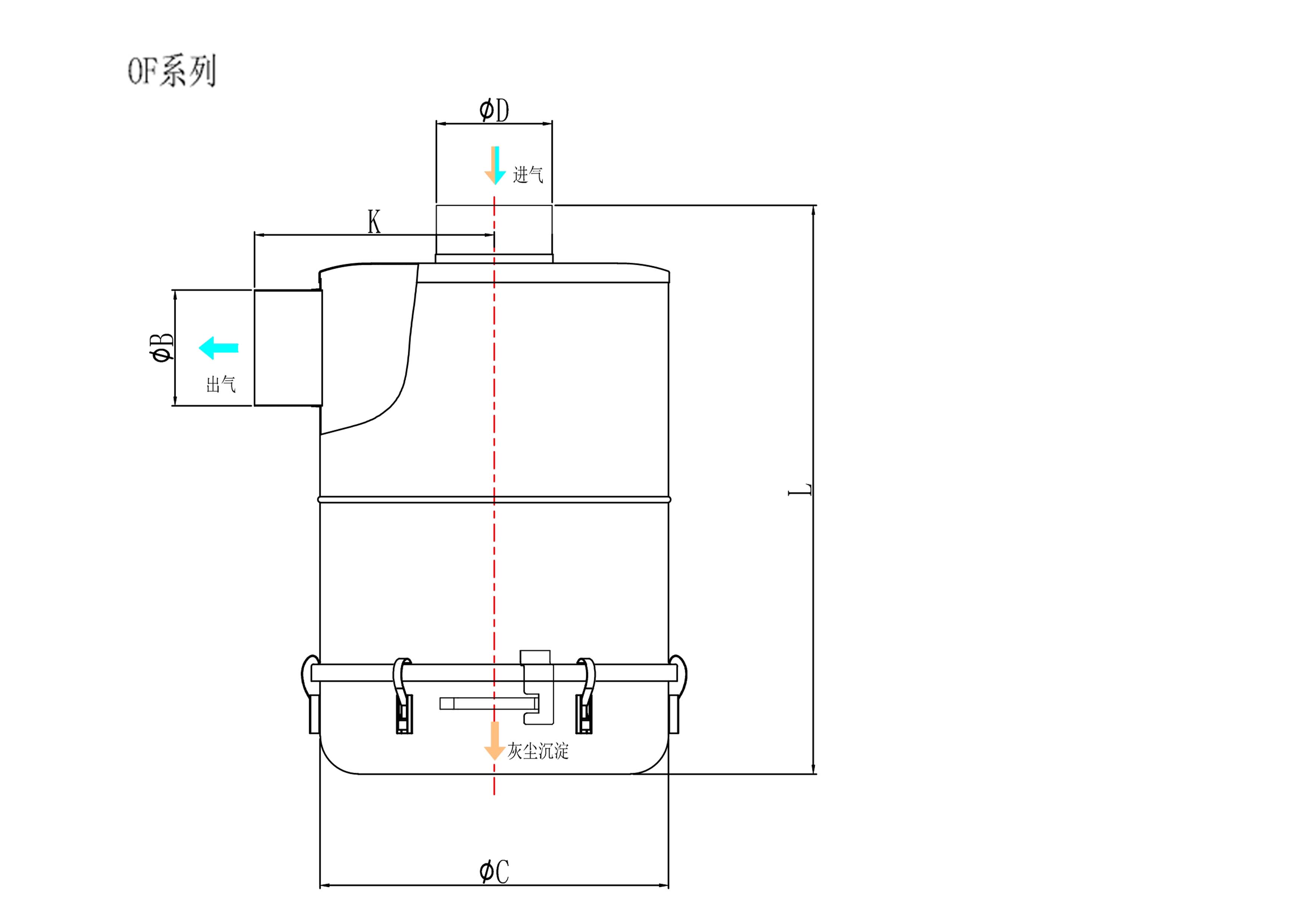
| modelo | Faixa de fluxo de ar | faixa de potência | peso | medição | |||
| L (altura) | Φc (diâmetro) | Φb. (Diâmetro do tubo de saída) | ΦD. (Diâmetro do tubo de entrada) | ||||
| De 21. | 15-21m³ / min (531-743cfm) | 180-280HP (134-209KW) | 12.24kg. | 516mm (20.31 \") | 388mm (15,28 \") | 133mm (5.24 \") | 152mm (5,98 \") |
| De 28. | 21-28m³ / min (741-988cfm) | 280-320hp (209-239KW) | 15.31kg. | 586mm (23.07 \") | 388mm (15,28 \") | 152mm (5,98 \") | 152mm (5,98 \") |
| De35. | 28-35m³ / min (988-1235cfm) | 320-380HP (239-283KW) | 18.26kg. | 746mm (29.37 \") | 388mm (15,28 \") | 152mm (5,98 \") | 152mm (5,98 \") |
| De 40. | 35-43m³ / min (1235-1517cfm) | 380-450HP (283-336KW) | 21.08kg. | 781mm (30.75 \") | 388mm (15,28 \") | 152mm (5,98 \") | 152mm (5,98 \") |
Como funciona:
O ar de ingestão é encaminhado através do banho de óleo. Lá as partículas de pó grossas são removidas do ar e depois redirecionadas para cima. O fluxo ascendente molha a embalagem do filtro com óleo do banho de óleo e a sujeira no ar de admissão é depositada lá. Este óleo flui de volta para o banho e a sujeira é contida é depositada lá.
Vantagens de relance:
Separar 99% de impurezas do ar de ingestão
Melhore a eficiência de combustível para obter economia de combustível.
Só precisa substituir o óleo, economizar custos
Capacidade de poeira de jantar, adequado para condições de trabalho de poeira
Estender a vida do filtro de ar que usada como pré-limpador
Reduza o tempo de inatividade
Serviço sem peças de reposição
| modelo | Faixa de fluxo de ar | faixa de potência | peso | medição | |||
| L (altura) | Φc (diâmetro) | Φb. (Diâmetro do tubo de saída) | ΦD. (Diâmetro do tubo de entrada) | ||||
| De 21. | 15-21m³ / min (531-743cfm) | 180-280HP (134-209KW) | 12.24kg. | 516mm (20.31 \") | 388mm (15,28 \") | 133mm (5.24 \") | 152mm (5,98 \") |
| De 28. | 21-28m³ / min (741-988cfm) | 280-320hp (209-239KW) | 15.31kg. | 586mm (23.07 \") | 388mm (15,28 \") | 152mm (5,98 \") | 152mm (5,98 \") |
| De35. | 28-35m³ / min (988-1235cfm) | 320-380HP (239-283KW) | 18.26kg. | 746mm (29.37 \") | 388mm (15,28 \") | 152mm (5,98 \") | 152mm (5,98 \") |
| De 40. | 35-43m³ / min (1235-1517cfm) | 380-450HP (283-336KW) | 21.08kg. | 781mm (30.75 \") | 388mm (15,28 \") | 152mm (5,98 \") | 152mm (5,98 \") |